Строгальные станки предназначены для обработки металлов и других материалов строганием. Эта процедура осуществляется посредством цикличных проходов резца со специальным профилем режущей кромки по поверхности заготовки.
Строгальные станки классифицируются по нескольким основным категориям.
1. По принципу работы:
- поперечно-строгальный станок;
- продольно-строгальный станок.
В поперечно-строгальном станке главное рабочее движение осуществляется за счет перемещения строгальной головки. Деталь, как правило, закрепляется на столе. Подача детали производится за счет движения стола или смещения строгальной головки.
В продольно-строгальных станках наоборот, рабочее движение производится за счет движения заготовки на столе. А подача выполняется смещением строгальной головки.
2. По размеру:
- малые;
- средние;
- большие.
Малые станки в основном представлены группой поперечно-строгальных установок. С увеличением габаритов соотношение станков по принципу работы смещается в сторону продольно-строгальных.
3. По типу привода:
- гидравлический;
- механический (кулисно-кривошипный);
Строгальные станки с гидравлическим приводом приводятся в действие при помощи гидравлических цилиндров, которые запитываются от масляного электронасоса. Подобная система имеет ряд преимуществ. Во-первых, гидравлика хорошо поддается регулировке по усилию и скорости осуществления движений. Во-вторых, гидравлика имеет предохранительные перепускные клапана, которые в случае превышения давления в системе открываются и сбрасывают избыточное давление, чем предохраняют станок от повреждения. Гидравлическая система обеспечения рабочего движения используется на станках всех типов и размеров.
Механический привод, который выполнен по схеме кулисно-кривошипного механизма, используется в основном на поперечно-строгальных станках малых и средних размеров. Состоит такой привод из электродвигателя, редуктора, массивного маховика и кулисно-кривошипного механизма, который преобразовывает вращательное движение маховика в возвратно-поступательное движение ползуна. Иногда механический привод применяется и для продольно-строгальных станков. В этом случае система защиты от перегрузок представлена фрикционной муфтой.
4. Максимальные габариты обрабатываемой детали.
5. Скорость осуществления рабочих движений.
6. Максимально создаваемое усилие при строгании.
7. Производительность.
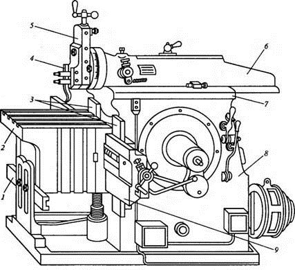
Поперечно-строгальный станок
Поперечно-строгальный станок (рис. 1) предназначен для обработки деталей небольших габаритов.

Рисунок 1. Поперечно-строгальный станок.
Поперечно-строгальный станок состоит из следующих основных элементов.
1. Поддерживающий упор. Служит второй точкой опоры для стола. Имеет регулируемую планку, на которую опирается стол. Планка одновременно является направляющей, по которой осуществляется поперечное перемещение.
2. Стол. Предназначен для закрепления заготовки и подачи ее в рабочую зону. Движение стола может осуществляться в поперечной и вертикальной плоскости. Поперечная подача производится за счет движения стола по направляющим. Изменение высоты осуществляется при помощи винтовой передачи. Механизм поперечной подачи связан со строгальной головкой, благодаря чему есть возможность настройки величины продвижения заготовки на определенную величину за один рабочий цикл станка.
3. Вертикальные направляющие. По ним перемещается стол в вертикальной плоскости.
4. Резцедержатель (рис. 2). Служит для закрепления режущего инструмента. Часто имеет механизм отвода резца при холостом ходе для предотвращения его повреждения.

Рисунок 2. Резцедержатель строгального станка.
5. Суппорт (рис. 3). Суппорт предназначен для настройки глубины резания и установки положения резца относительно заготовки. Способен регулировать положение режущего инструмента по высоте, а также может поворачиваться вокруг оси подачи для обработки поверхностей, находящихся не в горизонтальной плоскости.

Рисунок 3. Суппорт поперечно-строгального станка.
6. Ползун. Осуществляет главное рабочее движение. Передвигается на направляющих. Приводится в движение от электродвигателя через кулисно-кривошипную передачу или при помощи гидравлики.
7. Горизонтальные направляющие. По ним осуществляется движение ползуна.
8. Станина. Основание строгального станка. На станине закрепляются все узлы и механизмы станка.
9. Поперечина. Является конструкцией, обеспечивающей поперечное и вертикальное движение стола. Включает в себя направляющие, винт вертикальной подачи и связующую кинематическую цепь для взаимодействия с ползуном при автоматической настройке подачи.
Продольно-строгальный станок
Продольно-строгальный станок (рис. 4) служит для обработки крупногабаритных или массивных деталей.

Рисунок 4. Продольно-строгальный станок.
Продольно-строгальный станок состоит из следующих основных компонентов.
- Направляющие стола. По направляющим стола осуществляется главное рабочее движение. Выполняются направляющие с повышенной точностью.
- Станина. Служит основой для установки всех элементов станка. Ввиду больших габаритов продольно-строгальных станков станины под них выполняются составными. Это делается для облегчения транспортировки и монтажа.
- Стол. Конструкция стола продольно-строгального станка стандартная для металлообрабатывающего оборудования. Металлическая плита, в которой имеются Т-образные проточки для установки в них крепежных элементов (винтов, струбцин, тисков и др.), надежно соединена с рамой, движущейся по направляющим.
- Левая стойка.
- Правая стойка. На стойки опирается траверса, которая служит для закрепления суппорта.
- Верхняя поперечная перекладина. Служит для соединения стоек.
- Коробка привода вертикальной подачи траверсы. В ней расположен электродвигатель и редуктор. Осуществляет перемещение траверсы в вертикальном направлении.
- Суппорт с резцедержателем. Главный рабочий орган. За счет суппорта осуществляется подача резца. Величина подачи регулируется в зависимости от условий обработки.
- Привод бокового суппорта.
- Привод главного рабочего движения стола. Включает в себя электродвигатель, редуктор, коробку скоростей и электрический щит, содержащий схемы управления величиной и скоростью подачи.
Продольно-строгальные станки массово используются в тяжелом машиностроении, где часто требуется обработка деталей больших габаритов и массы.